仕上:ヘアライン・バイブレーション・エンボス スタイル:I型・L型・アイランド型フリーサイズ製作 対応シンク:TYシリーズ(プレスシンク)標準納期:約3~4週間(製作図ご承認後)
ステンレス仕上と仕様
ヘアーラインとバイブレーションの2種類をお選びいただけます。仕様:SUS304 板厚1.0mm
各部形状
前垂は角型、角型水返し付の2種類、バックガードは角型となります。小口は溶接仕上げまたは小口キャップもお選びいただけます。(小口キャップの場合はD600・650mmのみ対応です。)
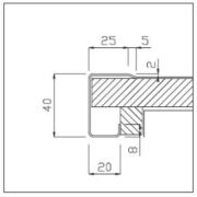
小口溶接仕上
小口(サイド)キャップ仕上
奥行き寸法600mm・650mm、バックガードH50mmの標準断面で
| キャップ素材 | SUS304 HL t=0.8mm (ビス止め) |
|---|---|
| 製作可能寸法 | 奥行600、650㎜のみ 間口~ 3000㎜ BG高さ50㎜ |
対応スタイルと製作可能サイズ
I型・L型:奥行650mm 間口3400mm
間口3400mmまでは奥行800mm
間口2850mmまでは奥行950mm
バックガード高さは25~50mm
(アイランド型などのバックガード無しも可能です。)
| カウンター素材 | SUS304 HL・VB t=1.0㎜ |
|---|---|
| 製作可能範囲(間口3400mmまで) | 奥行~ 800㎜、BG高さ25㎜~ 50㎜(BGなしの製作も可能です) |
| 製作は納範囲(間口2850mmまで) | 奥行~ 950㎜、BG高さ25㎜~ 50㎜(BGなしの製作も可能です) |
対応シンク
TYシリーズのプレスシンクをお選びいただけます。2段リブのドレスシンク及びコーナー小Rの手板金シンクはお選びいただけません。
標準納期
製作図面承認後 約3~4週間(工場稼働状況及び製作難易度により変動します。)


























